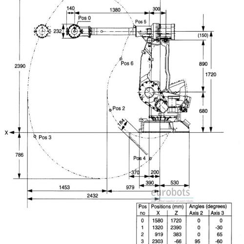
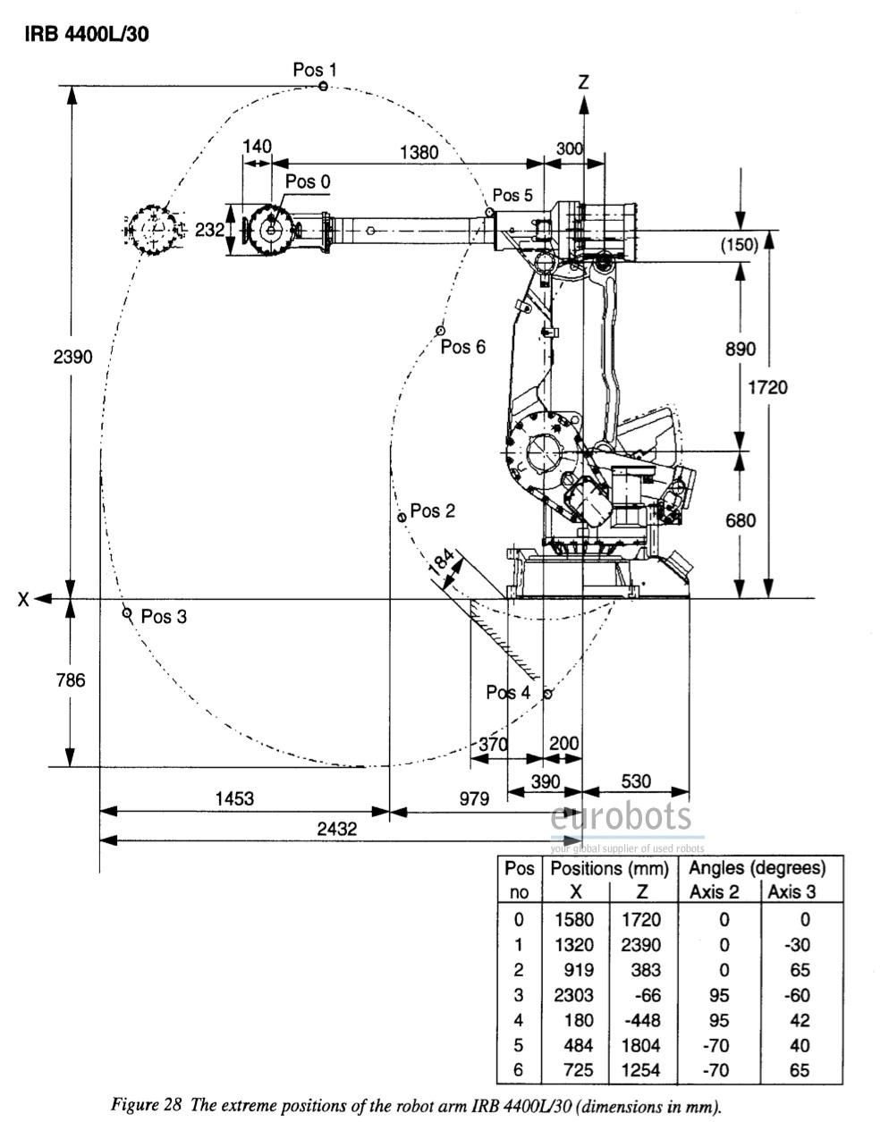
ABB IRB 4400L30 M98
这款ABB IRB4400的长手臂型有2432mm的手臂水平到达距离。
是一款适用于中载至重载的非常快速、紧凑型机器人。优异的全方面能力使它能适应各种生产应用。
S4C控制器通过快速指令实现轻松编程。
常常在非常高的速度情况下,高达60kg的载荷能力能允许一次搬运两个工件。
IRB 4400的快速机动性能使它非常适合应用于注重速度和机动性的领域。
强大坚固的结构意味着较长的维护周期。
带有双关节轴承的均衡的钢制手臂、扭矩支撑的第二轴与免维护齿轮箱和卷缆柱等的应用,都提供了较高水平的可靠性。
对传动系进行了优化,为经济运行提供了大扭矩、低能耗。
机器人信息:
- 最大载重:30 公斤
- 最大可达距离:2432毫米
- 重复精度:0.1毫米
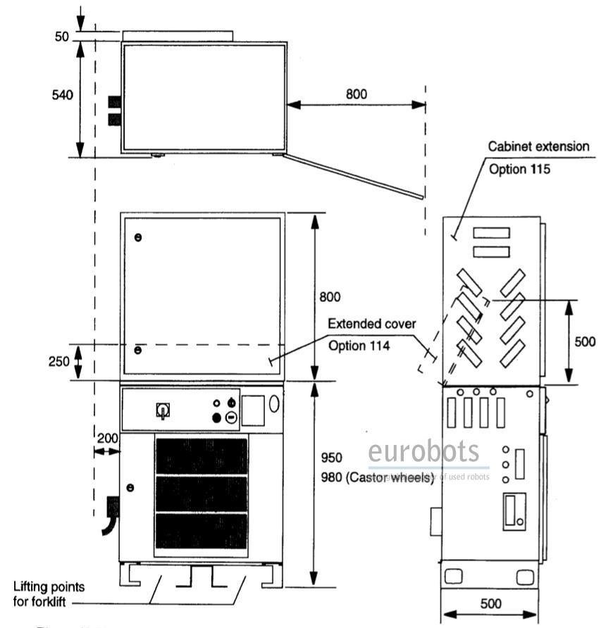
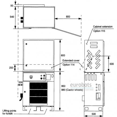
- 控制器:M97A-M98A-M99 S4C
机器人运行速度:
- 轴1:150º/秒
- 轴2:120º/秒
- 轴3:120º/秒
- 轴4:225º/秒
- 轴5:250º/秒
- 轴6:330º/秒
应用
图片
图表
English
Spain
Germany
France
Russia
Argentina
Portugal
Colombia
Italy
India
Brazil
Japan
Mexico
Turkey
Ukraine
Peru
Sth. Africa